Скоба ленточная «Стандарт»

Ленточная скоба «Стандарт»

Скоба «Стандарт» предназначена для скрепления пар нитей армированной колючей ленты различных типов диаметром до 3,5 мм – колючей проволоки Гюрза, Концертина и Егоза-Стандарт. Только для этих диаметров колючей проволоки скоба «Стандарт» обеспечивает надежную фиксацию, а ее применение скрепления нитей армированной колючей ленты может снизить прочность конструкции и привести к разрушению колюче-режущих заграждений под нагрузкой, поэтому для больших диаметров проволоки нужно использовать скобы типа «Супер». Скоба «Стандарт» также используется для крепления колюче-режущих заграждений к натяжной проволоке, сварным панелям забора или для скрепления между собой отдельных отрезков заграждений, к примеру, для сращивания отдельных рулонов колючей сетки Пиранья в сплошное полотно.

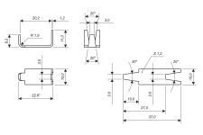
Скоба «Стандарт» представляет собой изделие специально разработанной формы из оцинкованной стали. Для производства скобы «Стандарт» используется рулонная оцинкованная сталь EN 10346 толщиной 1,2 мм с покрытием цинком 140-200 г/м2. Готовая скоба имеет в развертке ширину 10 мм и длину 37 мм и оснащена «замком» типа «ласточкин хвост» для надежной фиксации в зажатом состоянии. При штамповке скобе «Стандарт» придается форма, которая позволяет использовать такие скобы в ручном и автоматическом инструменте для их установки при производстве или монтаже колюче-режущих заграждений.

Технические характеристики
Скоба (клипса)
Тип скобы«Ласточкин хвост»
Толщина скобы, мм1,2
Длина скобы в развертке, мм37
Ширина скобы, мм10
Стандарт сталиEN 10346
Цинковое покрытие, г/м2140-200
ЛК-А «Концертина»

Диаметр сердечника 2,2 мм
Диаметр колючей проволоки 3,1 мм
Толщина колючей ленты 0,45 мм

ЛК-А «Егоза-Кайман»

Диаметр сердечника 2,8 мм
Диаметр колючей проволоки 3,8 мм
Толщина колючей ленты 0,5 мм

Пиранья-2х6

Ширина (высота) сетки 2,0 м
Диаметр колючей проволоки 3,1 мм
Длина рулона 6 м

Пиранья-2х10

Ширина (высота) сетки 2,0 м
Диаметр колючей проволоки 3,8 мм
Длина рулона 10 м

Пиранья-2,4х10

Ширина (высота) сетки 2,4 м
Диаметр колючей проволоки 3,8 мм
Длина рулона 10 м

Пиранья-2,7х10

Ширина (высота) сетки 2,7 м
Диаметр колючей проволоки 3,8 мм
Длина рулона 10 м